發布日期:2022-03-16 瀏覽:2160 次
試驗步驟:
1. 導電回路電阻測量應在合上斷路器狀態下進行。
2. 首先將測試儀接地,先接接地端再接儀器端。
3. 將電壓、電流線分別插入儀器的V+、V-和I+、I-兩端。
4. 電流線(粗線)和電壓線(細線)接在一個鉗子上,兩個鉗子分別夾在A相上下兩個端口引線端子處。
5. 檢查試驗接線正確,操作人員征得試驗負責人許可后方可加壓試驗。
6. 打開電源開關,要求測試電流應≥100A,按下測試鍵開始測量。
7. 待充電電流及測試數據穩定后記錄試驗結果。
8. 按下返回鍵,待儀器放電完畢后斷開電源,注意:首先要斷開儀器總電源。
9. 掛接好放電棒后,拆除高壓試驗接線。
10.拆除儀器端電壓、電流線。
11.最后拆除接地線。
12.用同樣的方法測量B、C相的回路電阻,并填寫試驗數據。

試驗周期:
主回路電阻測量,基準周期3年,要求初值差<30% .
試驗注意事項:
1.回路通入的直流電流值100A到額定電流之間的任一值,并保持1分鐘
2.斷路器回路電阻試驗測量應選用反映平均值的儀表,測量表計等的精度不低0.5級
3.電壓表接在被測回路內側,在電源回路接通后再接入,并防止測量中斷路器突然分閘或測量回路突然開斷損壞
4.當紅外熱像顯示斷口溫度異常、相間溫差異常,或自上次試驗之后又有100次以上分、合閘操作,也應進行本項目。

缺陷查找:
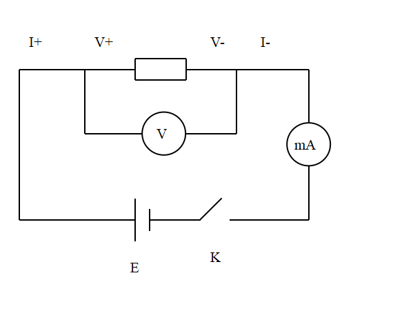
斷路器導電回路各連接處常由于各種因素使得接觸電阻有所增加,導致回路電阻偏大,可將斷路器導電回路分解成各部分接觸電阻電阻之和,分別測試各部分電阻,確定接觸電阻
偏大的部位。測試原理圖可等效如下:

如圖在斷路器導電回路中施加試驗電流,將電壓表兩端測試線夾在R3所代表的接觸點的兩端(注意:電壓測試線極性應與電源保持一致),可單獨測出該部位接觸電阻,同理可分別測出各部分電阻,再通過一定的分析比較,可準確的判斷出接觸不良的部位,從而迅速查找出缺陷所在。
優力克電力是電力試驗設備的生產廠家,我們的產品全程提供專業的技術服務。

本公司生產全面貫徹 ISO9001:2015 質量管理體系認證證書及文字商標和圖片商標注冊

本公司與武漢各大高校和武漢高壓研究所有著緊密合同關系,有著明細的技術優勢和穩定技術方案

公司具有專業的銷售和技術支持團隊隨時了解和客戶溝通產品的應用情況,提供一對一高效專業的服務

產品全部執行ISO9001質量管理體系,SMT自動化的生產,半成品檢測,成品檢測拷機,讓每一個產品都經過5次以上的100%測試,確保產品質量100%

公司具有精準的預期備貨和保持穩定的安全庫存,滿足客戶的緊急需求和批量性采購需求

公司產品每年抽樣送第三方檢驗(如湖北省技術監督局、武漢市計量院),符合出廠標準和第三方檢測指標要求